Auszug aus dem Forum:
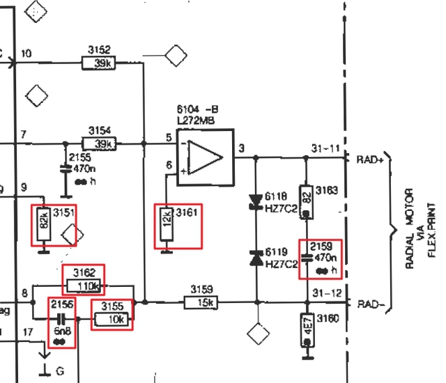
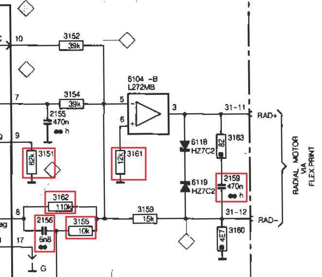
"Heute sind die neuen 1,5 µF-Kondensatoren angekommen... ...keine Besserung...Auch wenn der Verdacht naheliegt, daß der Laser ruiniert wurde, hier vielleicht noch ein letzter verzweifelter Versuch:Bezüglich des Kondensators 2159 (1µ5) hatte ich dich..."» Weiterlesen: Philips-Schwenkarmlaufwerke-Thread
0 Kommentare
Anzeige
Diskussion zum Bild:
Was möchtest du tun?
Rechtlicher Hinweis
Die Verantwortung der hier angezeigten Bilder liegt beim einstellenden Nutzer.
Hifi-Forum macht sich die Inhalte nicht zu eigen und übernimmt keine Verantwortung.