Auszug aus dem Forum:
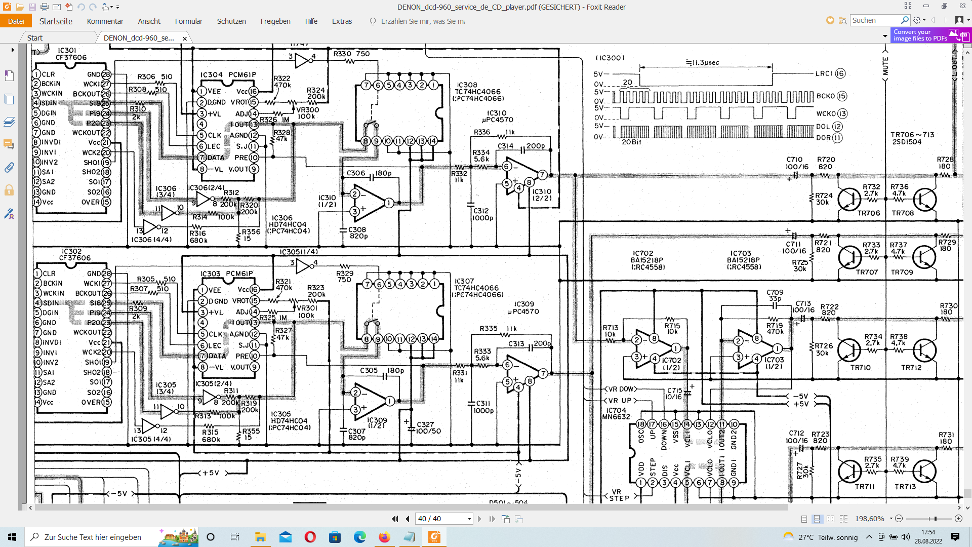
"11774981177497Anbei ein Ausschnitt vom DCD960. Im DCD890 sieht es auf der Platine anders aus.Das mit dem Bild scheint mich zu überfordern.mfg"» Weiterlesen: Schaltbild für Denon DCD890 gesucht, echter 20 Bit-ler?
0 Kommentare
Anzeige
Diskussion zum Bild:
Was möchtest du tun?
Rechtlicher Hinweis
Die Verantwortung der hier angezeigten Bilder liegt beim einstellenden Nutzer.
Hifi-Forum macht sich die Inhalte nicht zu eigen und übernimmt keine Verantwortung.