Auszug aus dem Forum:
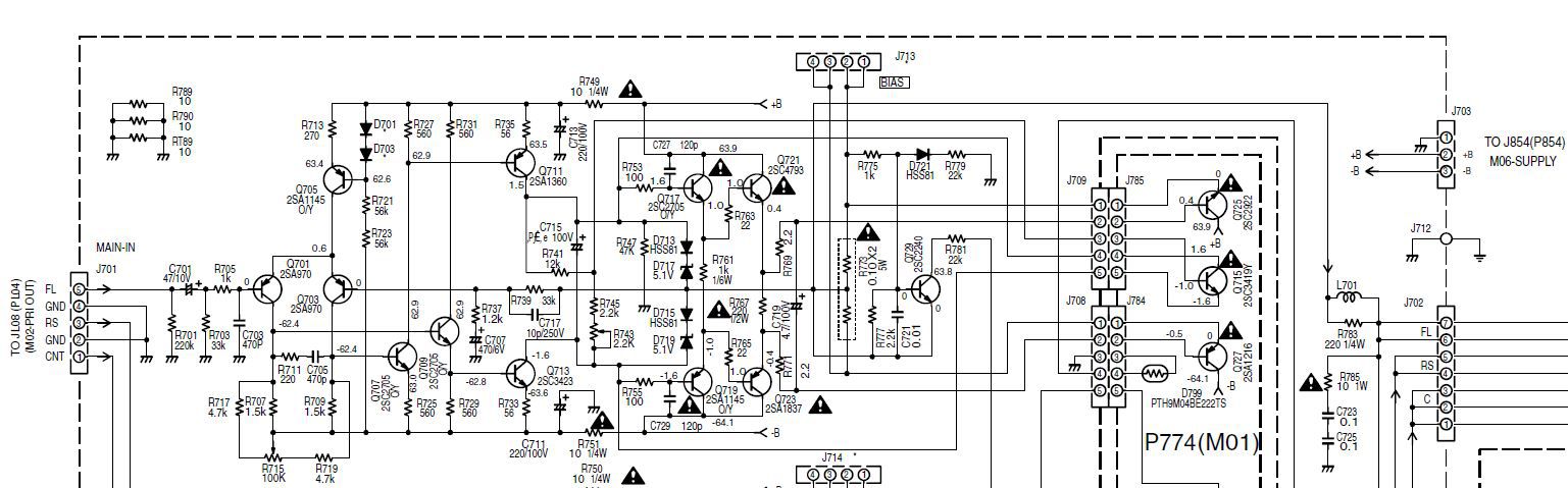
"Da sind mit hoher Sicherheit die Endstufentransistoren durch.Zum SM:Auf S. 13 der PDF-Datei (= Seiten 19/20 des Dokuments) finsdest Du den vermutlich betroffenen Bereich:892868Bei gezogenem Netztstecker würde ich zunächst alle Halbleiter des Ausschnitts..."» Weiterlesen: Marantz SR14Mk2 kein Ton mehr
0 Kommentare
Anzeige
Diskussion zum Bild:
Was möchtest du tun?
Rechtlicher Hinweis
Die Verantwortung der hier angezeigten Bilder liegt beim einstellenden Nutzer.
Hifi-Forum macht sich die Inhalte nicht zu eigen und übernimmt keine Verantwortung.