Auszug aus dem Forum:
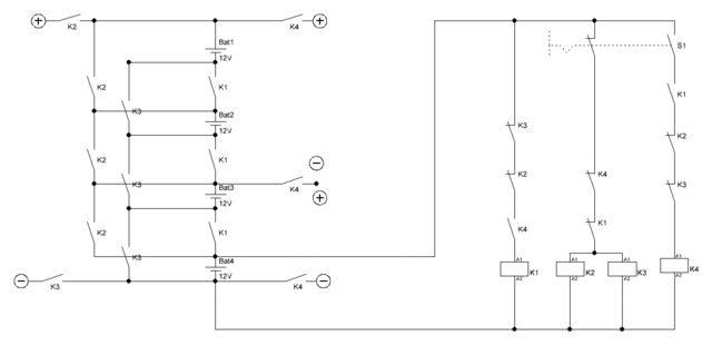
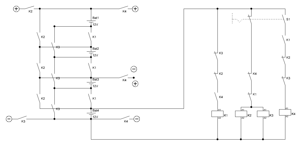
"Bin elektrofachkraft noch ein zwei fehler drin aber vom Grundprinzip schon richtig:348541Der eine kontakt von K1 ist da noch fehl am platz und ich werde noch einen seperaten Akku für die Relais und andere geräte verwenden"» Weiterlesen: Soundbike 2.1 beta Entwicklung & Bau
0 Kommentare
Anzeige
Diskussion zum Bild:
Was möchtest du tun?
Rechtlicher Hinweis
Die Verantwortung der hier angezeigten Bilder liegt beim einstellenden Nutzer.
Hifi-Forum macht sich die Inhalte nicht zu eigen und übernimmt keine Verantwortung.