Auszug aus dem Forum:
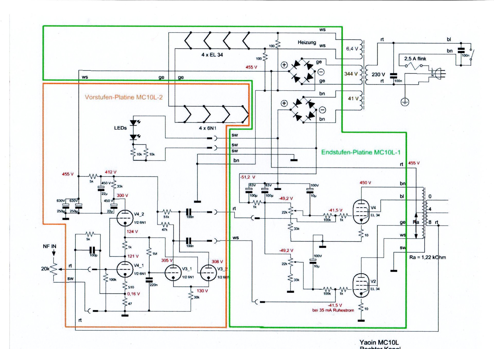
"Hallo, habe diesen Röhrenverstärker für ne Kiste Bier bekommen. Ohne Röhren. Sind bestellt.Frage: Ich möchte die Schaltung optimieren, welche Kondensatoren und Elkos soll ich gegen bessere auswechseln. Hatte schon mal einen Bericht über diesen Verstärker..."» Weiterlesen: Yaqin MC-10L optimieren
0 Kommentare
Anzeige
Diskussion zum Bild:
Was möchtest du tun?
Rechtlicher Hinweis
Die Verantwortung der hier angezeigten Bilder liegt beim einstellenden Nutzer.
Hifi-Forum macht sich die Inhalte nicht zu eigen und übernimmt keine Verantwortung.