Auszug aus dem Forum:
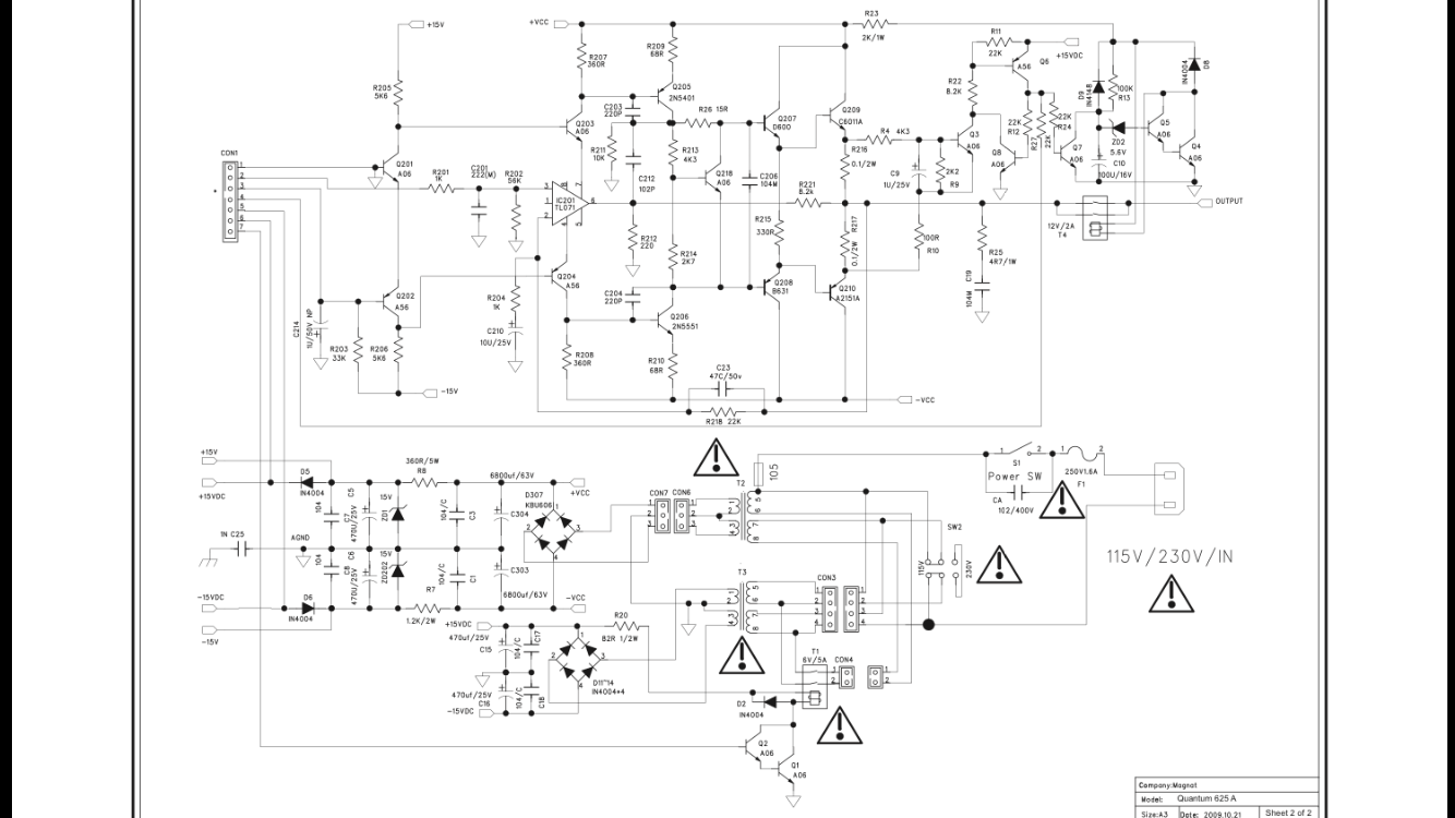
"Das hat ein Bekannter von einem Bekannten gesagt der es durchgemessen hat.807019807020Der defekt ist das alles normal leuchtet, aber er keinen nix macht. Anderer Sub gleiches Kabel geht super"» Weiterlesen: Aktiv Subwoofer Magnat Quantum 625A Endstufe Defekt
0 Kommentare
Anzeige
Diskussion zum Bild:
Was möchtest du tun?
Rechtlicher Hinweis
Die Verantwortung der hier angezeigten Bilder liegt beim einstellenden Nutzer.
Hifi-Forum macht sich die Inhalte nicht zu eigen und übernimmt keine Verantwortung.