Auszug aus dem Forum:
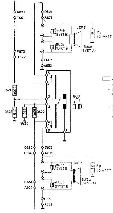
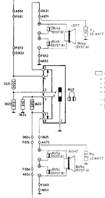
"Das wird ein einfaches Kontaktproblem sein, zumals es aauch keine Lautsprecherrelais gibt.In der Kopfhörer-Buchse befinden sich kleine Schalter, die die Lautsprecher abschalten, sobald der KH eingesteckt ist.Dies wäre also eine der Fehlermöglichkeiten.Eine..."» Weiterlesen: Philips FA 443 bleibt stumm, aber Kopfhörer geht
0 Kommentare
Anzeige
Diskussion zum Bild:
Was möchtest du tun?
Rechtlicher Hinweis
Die Verantwortung der hier angezeigten Bilder liegt beim einstellenden Nutzer.
Hifi-Forum macht sich die Inhalte nicht zu eigen und übernimmt keine Verantwortung.