Auszug aus dem Forum:
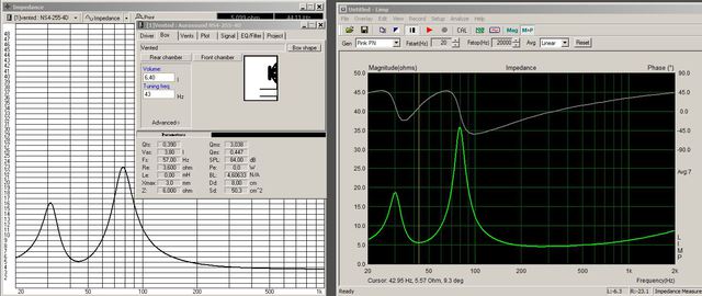
"Dank Demon Cleaner mal 2 25mm Löcher in den Deckel gebohrt. WinISD findet , eine -3dB lowshelf Abstimmung ganz nett.Also 2 PG25 Rohre 20cm lang rein, und mal ne Impedanzmessung... Passt wie die Faust aufs Auge...549593"» Weiterlesen: VIFATOP - ULB Desktop mit Linkwitz Genen
0 Kommentare
Anzeige
Diskussion zum Bild:
Was möchtest du tun?
Rechtlicher Hinweis
Die Verantwortung der hier angezeigten Bilder liegt beim einstellenden Nutzer.
Hifi-Forum macht sich die Inhalte nicht zu eigen und übernimmt keine Verantwortung.