Auszug aus dem Forum:
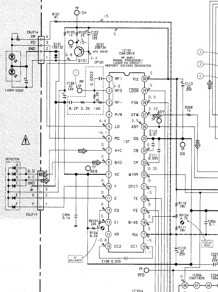
"Bis jetzt negativ, bei X7, bzw. 557, 707 und 337 oder M70 die haben dasselbe IC und Belegung, sind nur schöner gezeichnet.Hier mal aus dem 557:972383"» Weiterlesen: SONY CDP-R1a, Motor Probleme
0 Kommentare
Anzeige
Diskussion zum Bild:
Was möchtest du tun?
Rechtlicher Hinweis
Die Verantwortung der hier angezeigten Bilder liegt beim einstellenden Nutzer.
Hifi-Forum macht sich die Inhalte nicht zu eigen und übernimmt keine Verantwortung.