Auszug aus dem Forum:
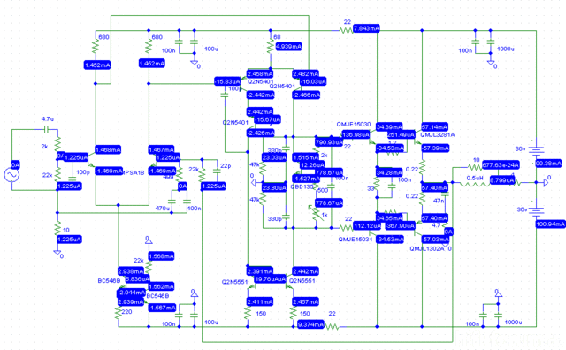
"Anbei ein Bild zum Debuggen:187564Viele Grüße - Rudi"» Weiterlesen: Sammelbestellung SymAsym - 11/2011
0 Kommentare
Anzeige
Diskussion zum Bild:
Was möchtest du tun?
Rechtlicher Hinweis
Die Verantwortung der hier angezeigten Bilder liegt beim einstellenden Nutzer.
Hifi-Forum macht sich die Inhalte nicht zu eigen und übernimmt keine Verantwortung.