Auszug aus dem Forum:
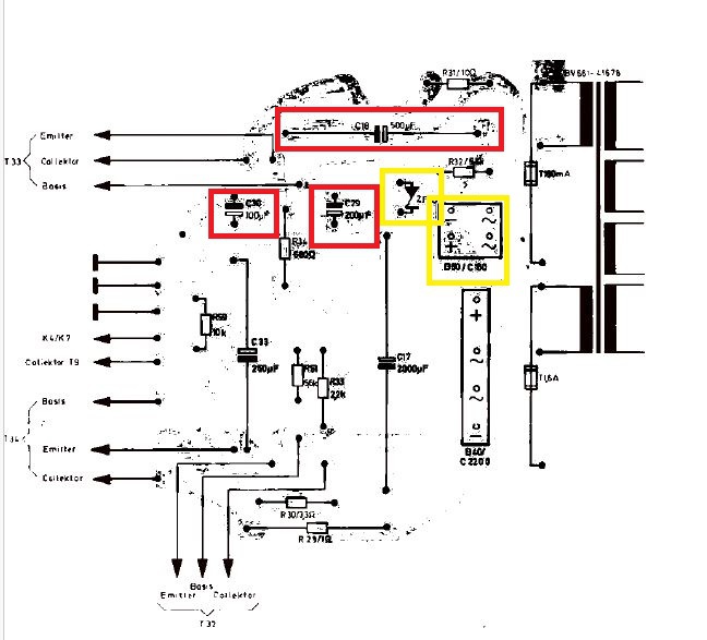
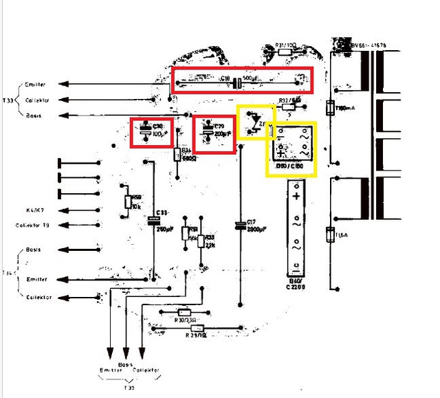
"Elkos - auf Polung beim Aus- und Einbau achten!:C18: 500µF 45V axial -----> 470µF 63V axialC29: 200µF 35V radial ----> 220µF 63V radialC30: 100µF 35V radial ----> 100µF 63V radialFalls defekt: (auf Polung bzw. Belegung der Anschlussdrähte..."» Weiterlesen: Uher Royal De Lux mit Kurzschluß
0 Kommentare
Anzeige
Diskussion zum Bild:
Was möchtest du tun?
Rechtlicher Hinweis
Die Verantwortung der hier angezeigten Bilder liegt beim einstellenden Nutzer.
Hifi-Forum macht sich die Inhalte nicht zu eigen und übernimmt keine Verantwortung.