Auszug aus dem Forum:
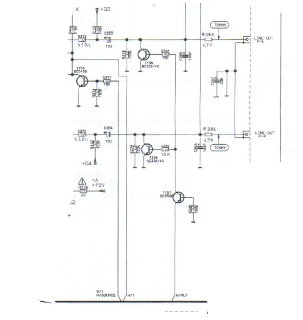
"Laut Schaltplan müssten am Line-Out dazu T155/156 zuständig sein, welche aber erst gemeinsam von T157 aktiviert werden.Diese kann man zum Testen auch erstmal ersatzlos entfernen, denn diese ziehen bei einem aktiven Muting nur das Line-Signal auf das Massepotential..."» Weiterlesen: Grundig Fine Arts 3Kopfdeck CT-905
0 Kommentare
Anzeige
Diskussion zum Bild:
Was möchtest du tun?
Rechtlicher Hinweis
Die Verantwortung der hier angezeigten Bilder liegt beim einstellenden Nutzer.
Hifi-Forum macht sich die Inhalte nicht zu eigen und übernimmt keine Verantwortung.