Auszug aus dem Forum:
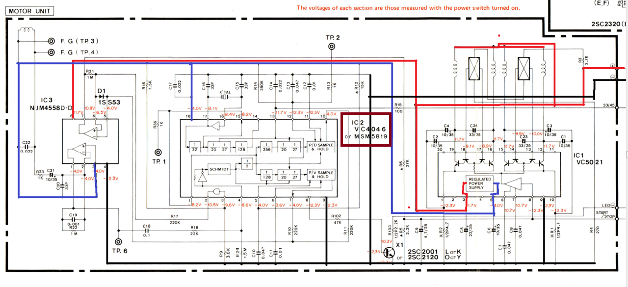
"Tach Jens,ja danke, kannst gern mal nachschauen. Die Datenbank noch ein wenig füllen. Habe jetzt mal einen Ausschnitt gefunden aus dem SM des YP-D5, welcher belegt, daß VC4046 und MSM5819 identisch sind. 1164087Dann werde ich mir in Taiwan mal 2 Stück..."» Weiterlesen: Plattenspieler JVC QL-Y5F
0 Kommentare
Anzeige
Diskussion zum Bild:
Was möchtest du tun?
Rechtlicher Hinweis
Die Verantwortung der hier angezeigten Bilder liegt beim einstellenden Nutzer.
Hifi-Forum macht sich die Inhalte nicht zu eigen und übernimmt keine Verantwortung.