Auszug aus dem Forum:
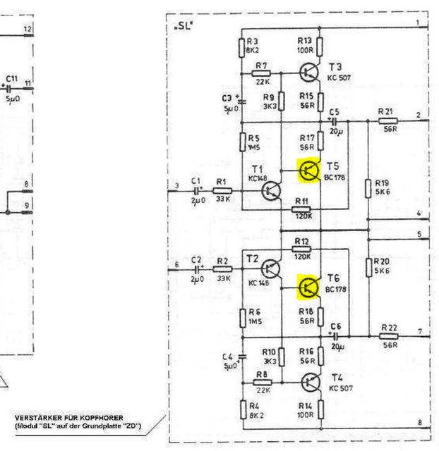
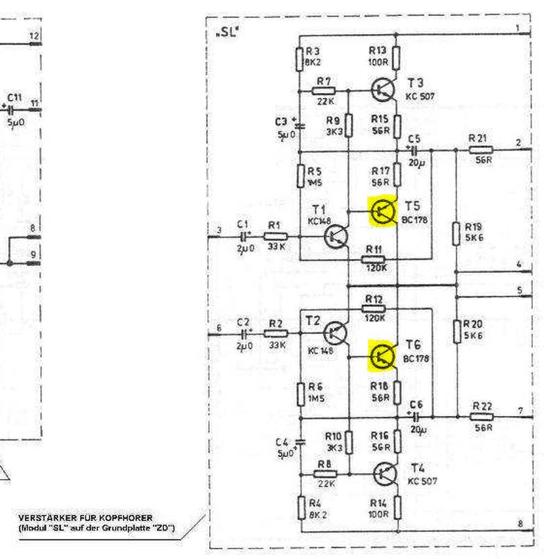
"251329Also es handelt sich um die zwei Gelb markierten Stellen auf dem Schaltplan.GrußRonny"» Weiterlesen: Kennt jemand das Bauteil?
0 Kommentare
Anzeige
Diskussion zum Bild:
Was möchtest du tun?
Rechtlicher Hinweis
Die Verantwortung der hier angezeigten Bilder liegt beim einstellenden Nutzer.
Hifi-Forum macht sich die Inhalte nicht zu eigen und übernimmt keine Verantwortung.