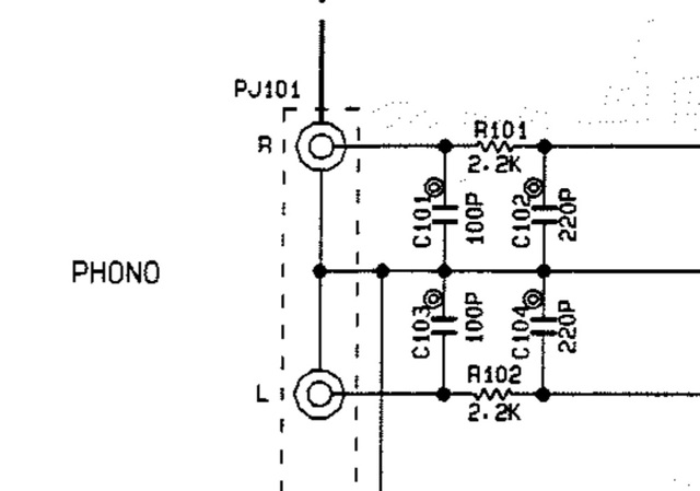
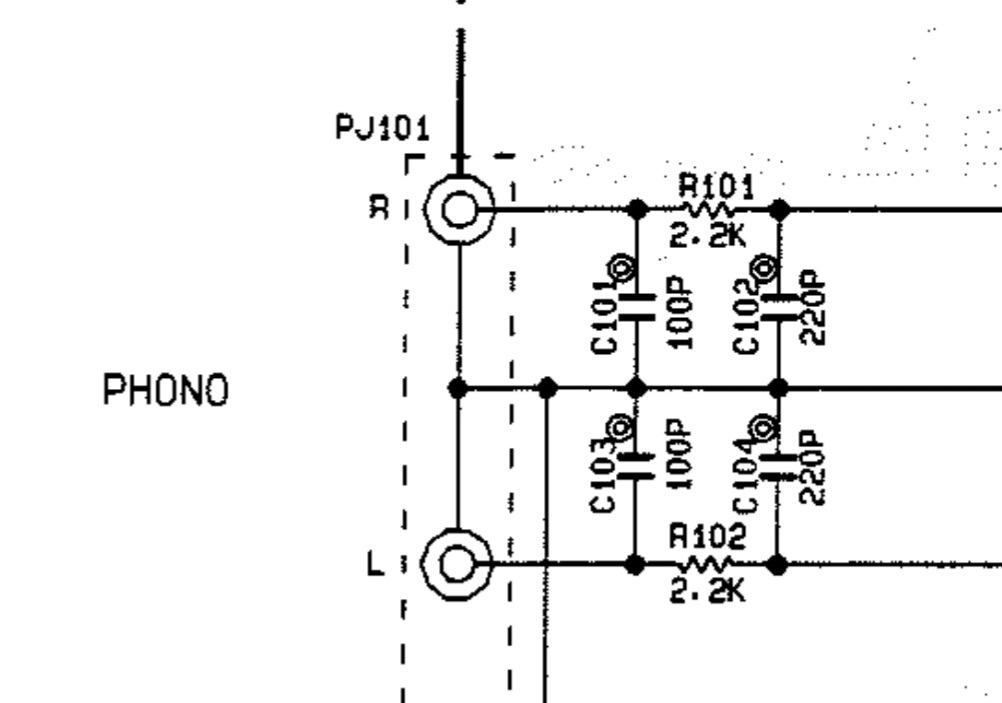
Auszug aus dem Forum:
"Leider braucht es einen kleinen Ausflug in die Technik. Für die Abschätzung ob ein Phono-Vorverstärker (egal ob irgendwo eingebaut oder externes Gerät) passt, ist der Plattenspieler (fast) unerheblich.Einzig der Tonabnehmer ist relevant (Ausflug in die Technik:..."» Weiterlesen: Vorverstärker in Receiver vorhanden
0 Kommentare
Anzeige
Diskussion zum Bild:
Was möchtest du tun?
Rechtlicher Hinweis
Die Verantwortung der hier angezeigten Bilder liegt beim einstellenden Nutzer.
Hifi-Forum macht sich die Inhalte nicht zu eigen und übernimmt keine Verantwortung.