Auszug aus dem Forum:
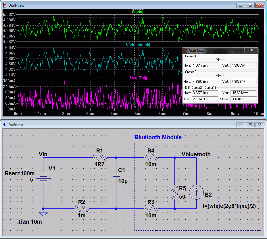
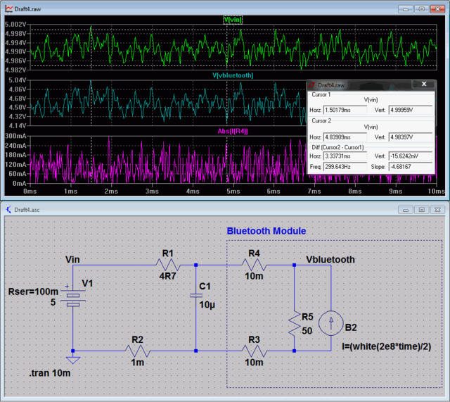
"R+C bilden zusammen einen einfachen Tiefpass 1.Ordnung mit fc=1/2piRC. Den Originalkondensator habe ich nicht gemessen, sondern mit 10uF angenommen (Baugröße/Spannungsfestigkeit).Idealisiert ergibt sich fc zu 3.38kHz.Der Elko setzt fc entsprechend tiefer..."» Weiterlesen: Bilder von fertigen mobilen Boxen
0 Kommentare
Anzeige
Diskussion zum Bild:
Was möchtest du tun?
Rechtlicher Hinweis
Die Verantwortung der hier angezeigten Bilder liegt beim einstellenden Nutzer.
Hifi-Forum macht sich die Inhalte nicht zu eigen und übernimmt keine Verantwortung.