Auszug aus dem Forum:
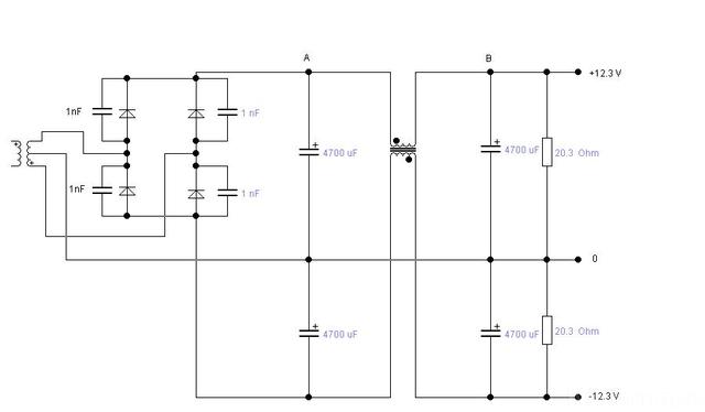
"So, hier wie versprochen noch ein abschließender Bericht zur Doppeldrossel, aber ohne Oszi-Bilder. Die Drossel sieht so aus:39876Eingebaut in diese Test-Schaltung, bewußt mit relativ kleinen Kapazitäten:39878Daten zur Drossel: 360 Wdg. je Wicklung..."» Weiterlesen: Doppeldrossel?
0 Kommentare
Anzeige
Diskussion zum Bild:
Was möchtest du tun?
Rechtlicher Hinweis
Die Verantwortung der hier angezeigten Bilder liegt beim einstellenden Nutzer.
Hifi-Forum macht sich die Inhalte nicht zu eigen und übernimmt keine Verantwortung.