Auszug aus dem Forum:
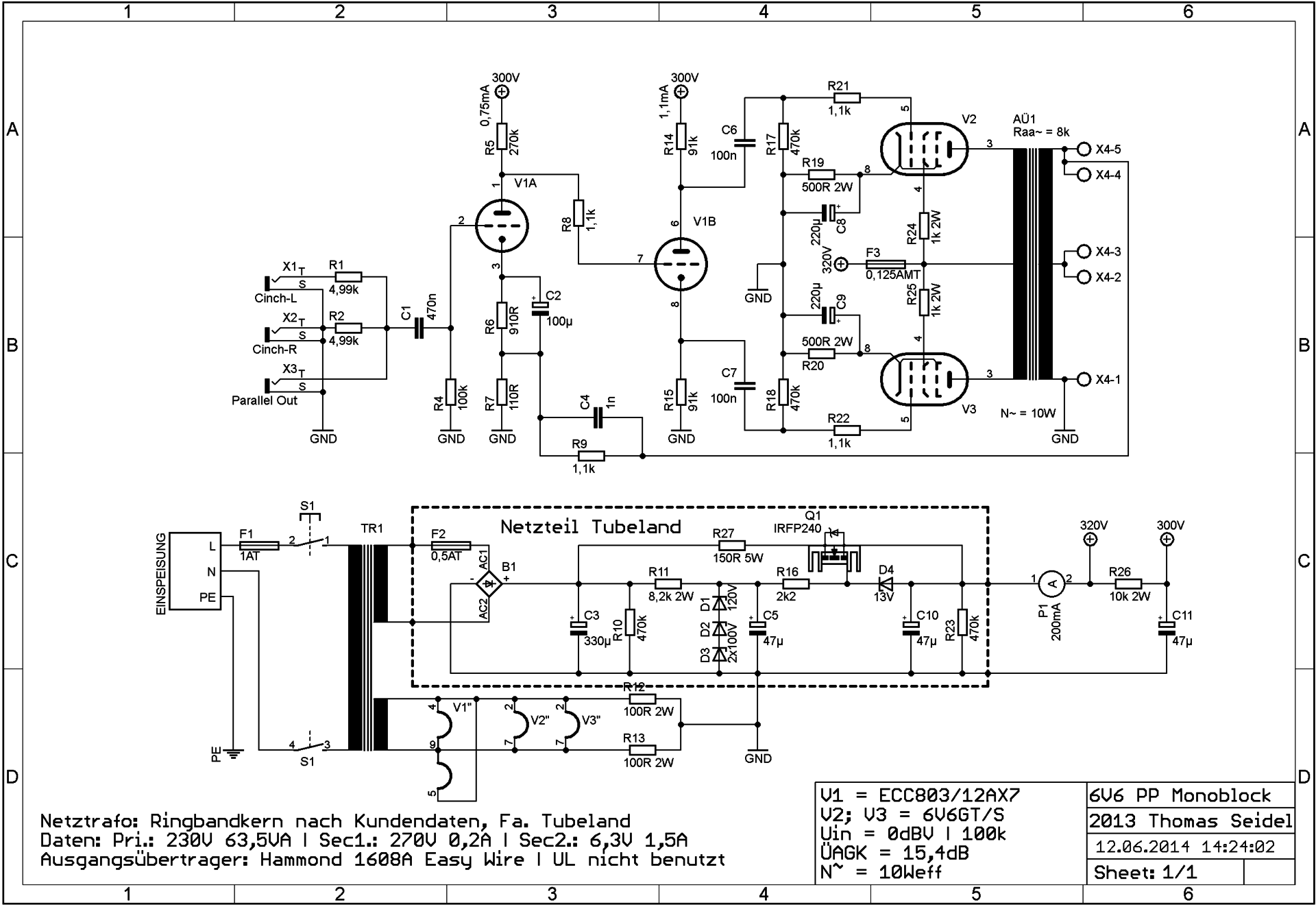
"Hallo,der Verstärker lief ebenso aus heiterem Himmel wieder wie er "kaputt" ging das Einzige, was ich gemacht hatte, war alle Spannungen zu überprüfen, die waren alle bestens.Hier das Schaltbild: 477439Grüße, Thomas"» Weiterlesen: Verstärker streikt aus heiterem Himmel
0 Kommentare
Anzeige
Diskussion zum Bild:
Was möchtest du tun?
Rechtlicher Hinweis
Die Verantwortung der hier angezeigten Bilder liegt beim einstellenden Nutzer.
Hifi-Forum macht sich die Inhalte nicht zu eigen und übernimmt keine Verantwortung.