Auszug aus dem Forum:
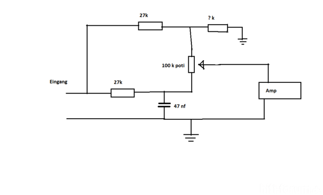
"Ich glaub dann war das ein klares Missverständnis. Ok, Meine Klangregelung war echt voll für den Arsch xD.Wenn ich jetzt die Höhen und Mitteltöne rausdrehbar machen will. Sollte das doch ungefähr so aussehen: 194686Der Widerstand mit dem Fragezeichen..."» Weiterlesen: passiven Bassregler bauen
0 Kommentare
Anzeige
Diskussion zum Bild:
Was möchtest du tun?
Rechtlicher Hinweis
Die Verantwortung der hier angezeigten Bilder liegt beim einstellenden Nutzer.
Hifi-Forum macht sich die Inhalte nicht zu eigen und übernimmt keine Verantwortung.