Auszug aus dem Forum:
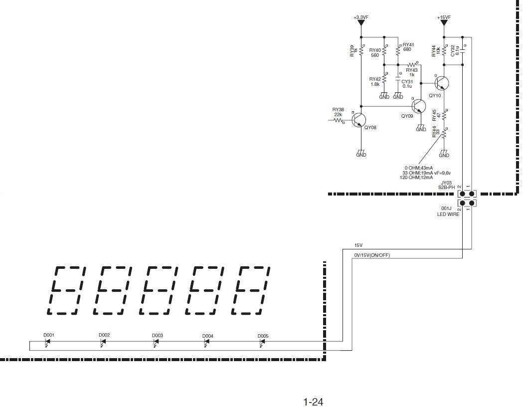
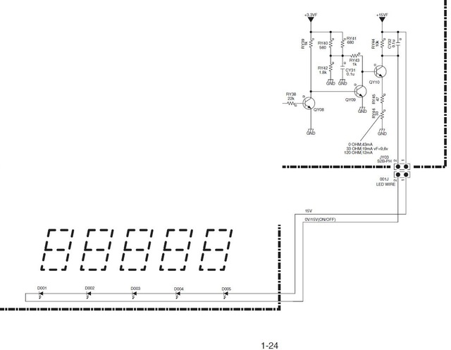
"Bzgl Display-Beleuchtung:806087SA-7806088SA-11S1806089SA-15S1Die Beschaltung ist immer die gleiche, die Werte für den Konstantstrom weichen etwas ab.Beim SA-11 sind es 3 LEDs, wie hier auch vorliegend.Beim SA-7 und beim SA-15 sind dagegen 5 eingezeichnet.Das..."» Weiterlesen: Offener Marantz-Stammtisch
0 Kommentare
Anzeige
Diskussion zum Bild:
Was möchtest du tun?
Rechtlicher Hinweis
Die Verantwortung der hier angezeigten Bilder liegt beim einstellenden Nutzer.
Hifi-Forum macht sich die Inhalte nicht zu eigen und übernimmt keine Verantwortung.