Auszug aus dem Forum:
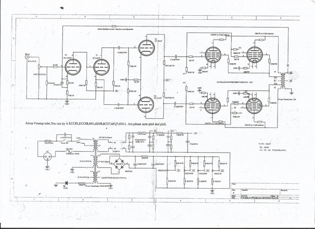
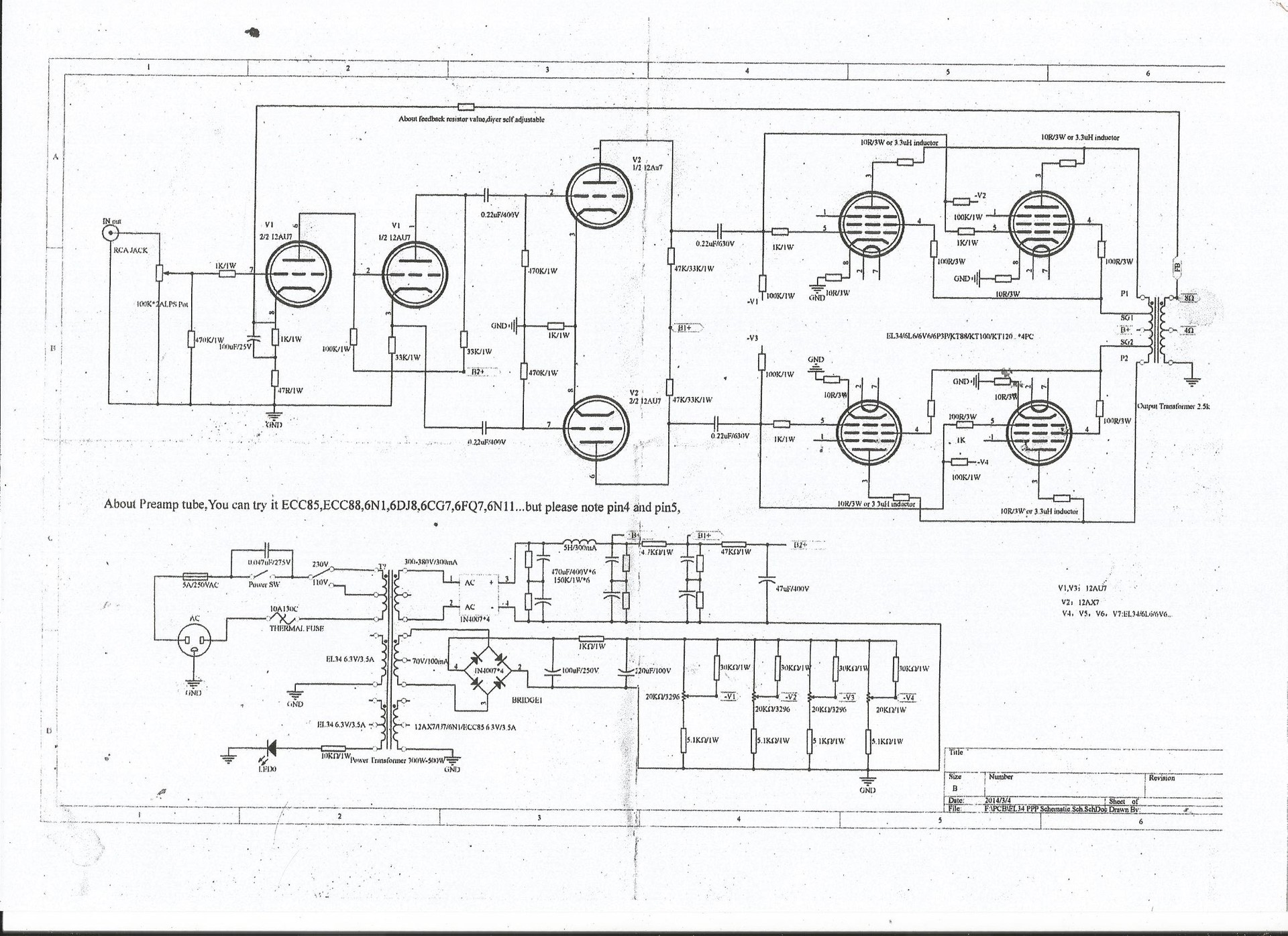
"Hey Leute nicht streiten,die Sonne scheint im Pott,wenigstens im Moment.Werde euch den Schaltplan noch eimal schicken,aber in bessere Qualität.Ich sehe daraus das V1 bis V4 einzeln einstellbar mit20KOhm/3296. 467190 Ich werde versuchen es nach Plan..."» Weiterlesen: Hilfe,unbekanntes Bauelement
0 Kommentare
Anzeige
Diskussion zum Bild:
Was möchtest du tun?
Rechtlicher Hinweis
Die Verantwortung der hier angezeigten Bilder liegt beim einstellenden Nutzer.
Hifi-Forum macht sich die Inhalte nicht zu eigen und übernimmt keine Verantwortung.