Anzeige

Diskussion zum Bild:

Stichwörter zu diesem Foto:

Bildinformationen:

Aufrufe: 84
Autor: Lötbier
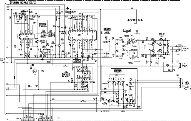
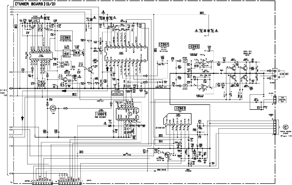
Originalmaße: 1194px * 755px

Was möchtest du tun?

Rechtlicher Hinweis

Die Verantwortung der hier angezeigten Bilder liegt beim einstellenden Nutzer. Hifi-Forum macht sich die Inhalte nicht zu eigen und übernimmt keine Verantwortung.