Auszug aus dem Forum:
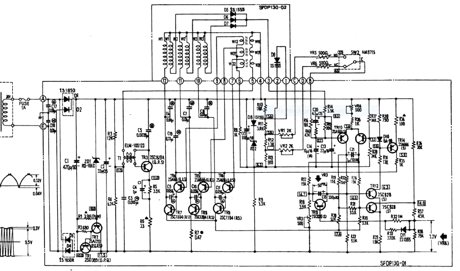
"So, ich habe erstmal einiges an Informationen zum hier verbauten Motor zusammengetragen, damit evtl auch später dieser Thread für andere Hilfesuchenden interessant sein könnte.Der Direktantriebs-Motor stammt von Matsushita (Panasonic/Technics) und er wurde..."» Weiterlesen: Suche Infos und Hilfe zum Turntable Modell: AEL- DD22
0 Kommentare
Anzeige
Diskussion zum Bild:
Was möchtest du tun?
Rechtlicher Hinweis
Die Verantwortung der hier angezeigten Bilder liegt beim einstellenden Nutzer.
Hifi-Forum macht sich die Inhalte nicht zu eigen und übernimmt keine Verantwortung.