| HIFI-FORUM » Reparatur & Wartung » Elektronik (Stereo&Surround) » Lautsprecher und Subwoofer » Überholung Restek Optima | |
|
|
||||
Überholung Restek Optima+A -A |
||
| Autor |
| |
|
hein_troedel
Stammgast |
#1
erstellt: 17. Jun 2019, 13:07
|
|
|
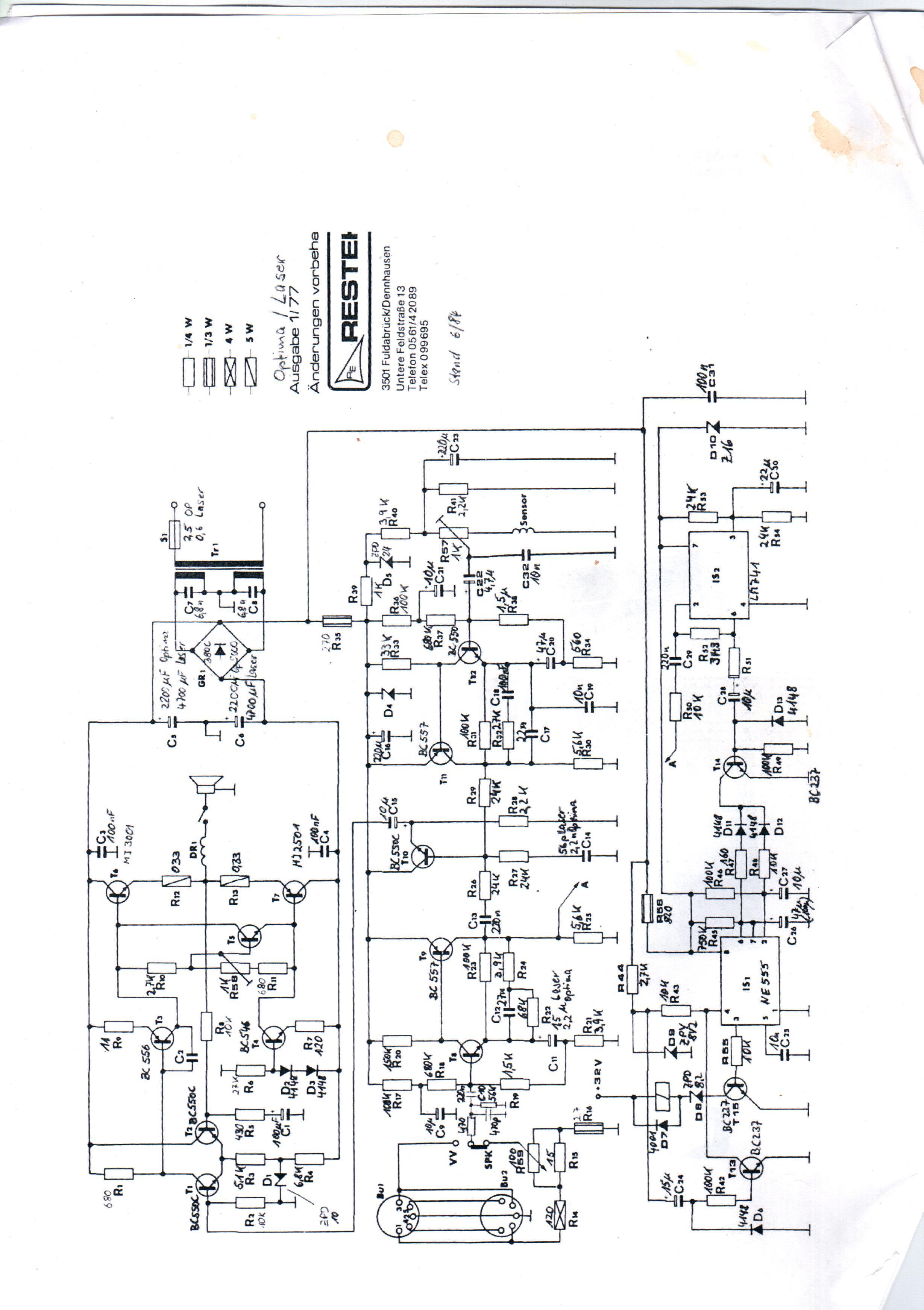
Hallo und Guten Abend, ich habe zwei Restek Optima Aktivlautsprecher bekommen die ich mir gerne wieder spielbar machen würde. Leider funktionieren sie nicht, von Restek wurde mir geraten die Elkos zu tauschen. Leider habe ich keinen Bestückungs.- oder Platinenplan dazu und ich kenne mich nicht so richtig gut mit den Bauteilbezeichnungen aus. Vielleicht kann mir hier jemand helfen. - Elkos, das sind schon mal die 10 runden 47/100 heißt ja sicher 47 µF 100 V - Die 2 orangenen dürften Tantal-Kondensator sein, da steht 4µ7 25V drauf. Bedeutet das 4,7 µF? - Gar nichts kann ich mit den eckigen Teilen anfangen. Was sind das für Kondensatoren, Folienkondensatoren? Und die Bezeichnungen 1M100, 22K100, 022J250, 22K100 ?? Da bin ich hilflos. Übrigens, das Relais zieht nach kurzer Zeit an, mehr passiert aber nicht. Nicht wundern, es fehlt das eine Relais, das wird getauscht da es vom Vorbesitzer beschädigt wurde und die zwei dicken großen Elkos soll ich lassen, die würden selten kaputt gehen. Sieht sonst noch jemand was an der Platine was gemacht werden sollte oder hat Anregungen? Viele Grüße, Bernhard ![]()
|
||
|
Böötman
Inventar |
#2
erstellt: 17. Jun 2019, 13:52
|
|
|
.1M100 = 100 nF Kondensator .22K100 = 0,22 uF Kondensator .022J250 = 22 nF Kondensator [Beitrag von Böötman am 17. Jun 2019, 13:54 bearbeitet] |
||
|
ehemals_Mwf
Inventar |
#3
erstellt: 17. Jun 2019, 14:51
|
|
|
Hi,
Ja, wahrscheinlich vom Typ MKT. Die gehören zu den am wenigsten verdächtigen Bauteilen. Gruss, Michael [Beitrag von ehemals_Mwf am 17. Jun 2019, 15:08 bearbeitet] |
||
|
CarlM.
Inventar |
#4
erstellt: 17. Jun 2019, 16:04
|
|
|
Wenn die Boxen garnicht funktionieren, ist schon eine genaue Diagnose notwendig. Die Restek haben dabei noch ein paar Besonderheiten. Ich befürchte, dass es mit dem bloßem Austausch von ein paar Elkos nicht getan ist. So gibt es z.B. eine relativ hohe Anzahl an Zener-Dioden, die sich nicht ganz so einfach prüfen lassen wie "normale" Dioden. Dann sind zwei Trimm-Potis vorhanden, die korrekt eingestellt werden müssen - eines für den Ruhestrom der Endstufe und eines für die Empfindlichkeit des Sensors. Kurz: Man sollte schon ein wenig von Materie verstehn, um die Restek zum Laufen zu bringen. Einen Schaltplan gibt es z.B. hier: http://forum.vegalab...=242765&d=1438501231p.s. Die großen Elkos sollte man zumindest prüfen. Bei den alten Telefunken-Verstärkern etc. in denen ich Röderstein-Elkos vorgefunden habe, waren die Kapazitäten sehr häufig (= fast immer) weit über dem angegebenen Wert, was für eine Austrocknung des Elektrolytgemisches spricht. Gute neue Elkos 2.200 µF 50V 105° axial kosten ca. 1,50 € ... |
||
|
hein_troedel
Stammgast |
#5
erstellt: 17. Jun 2019, 19:22
|
|
|
Vielen Dank für die hilfreichen Antworten. Da werde ich mal überlegen wie ich weiter vorgehe. Natürlich achte ich drauf nicht destruktiv zu sein. Bevor ich es vermurkse höre ich lieber auf. Ich denke aber die Elkos zu tauschen probiere ich mal. Ich berichte weiter. Für den Schrott sind sie definitiv zu schade. Gruß, Bernhard |
||
| ||
|
|
||||
| Das könnte Dich auch interessieren: |
|
Sonics Boxen Elkos tauschen? mg151170 am 14.02.2014 – Letzte Antwort am 14.02.2014 – 3 Beiträge |
|
Elkos tauschen, defekt? Patrick7968 am 21.09.2021 – Letzte Antwort am 24.10.2021 – 21 Beiträge |
|
Weiche Infinity ELKOs wolan55 am 26.12.2017 – Letzte Antwort am 27.12.2017 – 2 Beiträge |
|
Elkos Tauschen Sinnvoll bei alten Lautsprecher? springginckerl am 05.02.2020 – Letzte Antwort am 29.03.2020 – 34 Beiträge |
|
Unglaublich Restek Saga 3 kann nicht repariert werden highfreek am 15.03.2016 – Letzte Antwort am 10.05.2016 – 41 Beiträge |
|
Pilot ST 505 Frequenzweiche Elkos tauschen Gahana am 25.04.2017 – Letzte Antwort am 25.04.2017 – 3 Beiträge |
|
Elkos austauschen -> komische Werte Flottertje am 29.12.2013 – Letzte Antwort am 02.01.2014 – 6 Beiträge |
|
Frequenzweichen Elkos Alte Infinitys multiball am 13.05.2021 – Letzte Antwort am 06.06.2021 – 12 Beiträge |
|
Reparatur/Elkos Backes & Müller BM6 MasterPi_84 am 06.03.2011 – Letzte Antwort am 10.02.2016 – 5 Beiträge |
|
T+A tmr 220 , neue Elkos ? tiquila012013 am 09.09.2016 – Letzte Antwort am 09.09.2016 – 4 Beiträge |
Foren Archiv
2019
Anzeige
Produkte in diesem Thread
Aktuelle Aktion
Top 10 Threads in Lautsprecher und Subwoofer der letzten 7 Tage
- Teufel Rockster Air geht nicht mehr an
- Bose SoundTouch 300 Soundbar ohne Funktion
- Grundsatzfrage: Elkos in Frequenzweiche durch Folienkondensatoren ersetzen?
- Hilfe, Membran eingedrückt!
- Sickenkleber,welchen nehmen?
- Teufel Cinebar 52 Soundbar kein Sound Bass schon
- Logitech Z906 lässt sich nicht mehr einschalten
- Lautsprecher knackt
- Delle aus Lautsprechergitter entfernen
- Teufel Subwoofer defekt. kein Ton mehr. Was könnte defekt sein ?
Top 10 Threads in Lautsprecher und Subwoofer der letzten 50 Tage
- Teufel Rockster Air geht nicht mehr an
- Bose SoundTouch 300 Soundbar ohne Funktion
- Grundsatzfrage: Elkos in Frequenzweiche durch Folienkondensatoren ersetzen?
- Hilfe, Membran eingedrückt!
- Sickenkleber,welchen nehmen?
- Teufel Cinebar 52 Soundbar kein Sound Bass schon
- Logitech Z906 lässt sich nicht mehr einschalten
- Lautsprecher knackt
- Delle aus Lautsprechergitter entfernen
- Teufel Subwoofer defekt. kein Ton mehr. Was könnte defekt sein ?
Top 10 Suchanfragen
Forumsstatistik
- Registrierte Mitglieder930.682 ( Heute: 6 )
- Neuestes Mitgliedmaggiekauper70
- Gesamtzahl an Themen1.563.518
- Gesamtzahl an Beiträgen21.827.677










