| HIFI-FORUM » Do it yourself » Elektronik » Elektronik-Selbstbauprojekte » Symmetrisches Netzteil Offset anzeigen lassen. | |
|
|
||||
Symmetrisches Netzteil Offset anzeigen lassen.+A -A |
||
| Autor |
| |
|
BK-Tech
Stammgast |
#1
erstellt: 01. Mrz 2026, 22:31
|
|
|
Hallo Leute Baue mir gerade ein Symmetrisches regelbares Netzteil mit Bausatz Vellemann K8042 / WSPC8042 zusammen. Liefert 1,2V - 25V in +/- DC mit 1A. LM 317+ LM 337. Spannungen +/- sind einzeln einstellbar über Spindelpoti! Verbaue aber nur 1 Stck. Analog Anzeigeinstrument 0 -25V, umschaltbar. Meine Frage ist die , wie kann ich optisch (LED, Glühlampe) anzeigen lassen, wenn die + Spannung gleich der -Spannung ist.?? Sind ja 50V DC Unterschied. Dioden, Z-Dioden, Transistoren? Bin für jeden Vorschlag offen. Bernd |
||
|
wurzeli
Stammgast |
#2
erstellt: 02. Mrz 2026, 08:21
|
|
|
Hi ein symetrischer Verstärker mit einem OP am Verstärkerausgang zwei verschiedenfarbige LEDs unterschiedlich gepolt gegen Masse sind beide aus sindse gleich Gruß |
||
|
|
||
|
Bollze
Inventar |
#3
erstellt: 02. Mrz 2026, 10:26
|
|
|
Bei Audioverstärker gibt es eine Schutzschaltung gegen Gleichstrom an den Lautsprechern. In Prinzip kann nun bei den Netzteil plus und minus über zwei gleiche Widerstände verbinden und zwischen Widerständen den Offset gegen Masse auswerten lassen. Wie man der Offset verarbeiten kann u.a. Eine 0815 DC-Schutzschaltung, schaltet meist so bei einen Offset ab plusminus 0,6...0,8 Volt ab Hier in dieser Schaltung (unten) sind T1 und T2 die "Sensoren " und schalten durch wenn der Offset zu hoch ist. Ist der Offset so hoch, dass einer der Transistoren durchschaltet , so ist an den Punkt, wo beide Transistoren über den Kollektor zusammengeschlossen sind ein Low und der Offset unkritisch dann ein High, also Spannung an. Das sind nur theoretischen Ausführungen dazu , ohne Gewähr ob es richtig ist , nur als Anregung.. http://www.selfmadehifi.de/schalt.htm#DC-protBollze [Beitrag von Bollze am 02. Mrz 2026, 10:47 bearbeitet] |
||
|
BK-Tech
Stammgast |
#4
erstellt: 27. Mrz 2026, 20:38
|
|
|
Hast du einen Schaltungsvorschlag. Das wäre genau das , was ich bräuchte. Gruß Bernd |
||
|
BK-Tech
Stammgast |
#5
erstellt: 27. Mrz 2026, 20:43
|
|
|
Hallo Der Offset sollte schon +/- 0mV betragen. Ist angedacht. Eigentlich dachte ich an eine einfache optische Anzeige über LED´S oder Lämpchen. Vielleicht mit Z-Dioden oder einfach Widerstände mit 1% . OP-Amps. |
||
|
wurzeli
Stammgast |
#6
erstellt: 29. Mrz 2026, 08:00
|
|
|
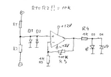
das Einfachste was mir eingefallen ist: ![]() ![]() _R1 und R2 müssen GLEICH sein d.h. ein Pack Billigwiderstände nehmen und 2 möglichst gleiche ausmessen _D1, D2 begrenzen die Eingangsspannung der OPs auf ~0,5V Standardware z.B. 1N4148 _R3 begrenzt die Verstärkung - hier experimentieren falls die Verstärkung nicht ausreicht R5 entsprechend verkleinern _R4 begrenzt den Diodenstrom _D4, D5 ne rote und grüne LED für zuviel + und - _als OP nimmst du den OP deines Vertrauens _die Spannungsversorgung Dessen über handelsübliche 7812/7912 etc. wenn du im richtigen Bereich bist flippen die LEDs hin und her ggf. lässt sich mit R3 auch einstellen daß beide aus sind Gruß [Beitrag von wurzeli am 29. Mrz 2026, 08:29 bearbeitet] |
||
|
MosFetPapa
Stammgast |
#7
erstellt: 30. Mrz 2026, 21:54
|
|
|
Was du suchst, findet sich unter den Stichworten Galvanometer / Komparator. Ich würde bei einem Labornetzgerät aber immer gleich zwei bzw. 4 Anzeigen verbauen für Spannung/Strom. Den Strombedarf im Auge zu haben ist oftmals wichtig bei Schaltungstests. z.B. sowas: Digitales Mini Volt-/Ampere-Meter |
||
|
BK-Tech
Stammgast |
#8
erstellt: 31. Mrz 2026, 20:08
|
|
|
OK Wurzel Werde es austesten, wenn Zeit. |
||
| ||
|
|
||||
| Das könnte Dich auch interessieren: |
|
Regelbares symmetrisches Netzteil BK-Tech am 25.04.2024 – Letzte Antwort am 14.05.2024 – 10 Beiträge |
|
Annodenspannungs Netzteil Stefan8831 am 06.06.2022 – Letzte Antwort am 09.06.2022 – 8 Beiträge |
|
Netzteil für Plattenspieler-Synchronmotor usul am 10.12.2007 – Letzte Antwort am 17.01.2008 – 4 Beiträge |
|
Mullard 3-3 Spannungen im Netzteil ikarus75 am 01.10.2022 – Letzte Antwort am 03.10.2022 – 20 Beiträge |
|
Anschluß Netzteil und Verstärker in einer DIY-Boombox HiFiTim07 am 03.08.2022 – Letzte Antwort am 03.08.2022 – 3 Beiträge |
|
Stabilisiertes diskretes analoges Hifi- Netzteil kleiner Leistung für Vorstufen, Kopfhörerverstärker und Mini- Endstufen Mülleimer am 06.07.2006 – Letzte Antwort am 04.01.2010 – 34 Beiträge |
|
Anschluss an Umschaltrelais Castilles am 14.01.2018 – Letzte Antwort am 24.01.2018 – 5 Beiträge |
|
Endstufe Tausch beim vollverstärker. januszm am 17.01.2022 – Letzte Antwort am 18.01.2022 – 4 Beiträge |
|
Hilfe bei Thel - Audio Projekt jojo088 am 23.07.2022 – Letzte Antwort am 29.08.2022 – 12 Beiträge |
|
Rund um den Vorverstärker zucker am 27.10.2004 – Letzte Antwort am 22.05.2009 – 74 Beiträge |
Foren Archiv
2026
Anzeige
Top Produkte in Elektronik-Selbstbauprojekte
Aktuelle Aktion
Top 10 Threads der letzten 7 Tage
- Hotel Modus deaktivieren
- "diese anwendung wird jetzt neu gestartet um mehr speicherplatz verfügbar zu machen"
- Von HD+ zurück zu Standard-TV
- Remotekabel anschließen, aber wie und wo?
- Hisense verbindet sich nicht mehr mit dem WLAN
- Audiodeskription ausschalten (in ZDF App) 803er
- Umschalten von TV auf Radio
- Satellitenschüssel was und wie einstellen am TV
- Pro 7 und Sat 1 auf einmal weg.
- Markierung an Lautsprecherkabel - welche Norm?
Top 10 Threads der letzten 50 Tage
- Hotel Modus deaktivieren
- "diese anwendung wird jetzt neu gestartet um mehr speicherplatz verfügbar zu machen"
- Von HD+ zurück zu Standard-TV
- Remotekabel anschließen, aber wie und wo?
- Hisense verbindet sich nicht mehr mit dem WLAN
- Audiodeskription ausschalten (in ZDF App) 803er
- Umschalten von TV auf Radio
- Satellitenschüssel was und wie einstellen am TV
- Pro 7 und Sat 1 auf einmal weg.
- Markierung an Lautsprecherkabel - welche Norm?
Top 10 Suchanfragen
Forumsstatistik
- Registrierte Mitglieder931.052 ( Heute: 3 )
- Neuestes MitgliedSpeedsizer*111*
- Gesamtzahl an Themen1.564.542
- Gesamtzahl an Beiträgen21.857.310









