| HIFI-FORUM » Reparatur & Wartung » Elektronik (Stereo&Surround) » DC-Protect Schaltung | |
|
|
||||
DC-Protect Schaltung+A -A |
||
| Autor |
| |
|
zuendler
Stammgast |
#1
erstellt: 05. Nov 2025, 21:09
|
|
|
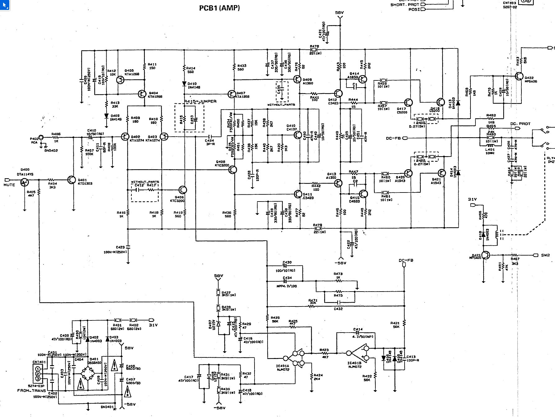
Servus, ich habe hier einen Verstärker, bei dem springt direkt nach dem Start DC-Protect an. Wenn man ihn einige Male zu starten versucht lässt er sich dann doch noch starten. Es will hier ums verrecken nicht klappen ein Bild hoch zu laden, daher der Schaltplan hier: http://zuendler.com/temp/AM9080.jpgWas ich beobachte ist, dass die Spannung am Pin "DC. Prot" beim Start von null auf ca. minus 2V einbricht und das reicht dem IC, der am anderen Ende der Leitung sitzt, um abzuschalten. Die anderen Kanäle machen das nicht. Die Spannung geht dann innerhalb 2-3s wieder hoch auf 0V wenn die Kiste mal startet. Nun, der Verstärker ist schon 25 Jahre alt, für mich hört sich alles nach Kondensator an. Nur welche kommen in Frage? Ich habe da keine Erfahrung und bevor ich blind anfange zu tauschen, wollte ich euch mal fragen welche es sein könnten. Eine Vermutung wäre, dass sich die positive und negative Spannung nicht gleichmäßig schnell aufbauen und sich daher das Potential verschiebt. Könnte das sein? [Beitrag von zuendler am 05. Nov 2025, 21:15 bearbeitet] |
||
|
CarlM.
Inventar |
#2
erstellt: 05. Nov 2025, 21:35
|
|
|
Es gibt ja eine Schaltung mit dem IC NJM072, die dem entgegenwirken sollte. Da sie das nicht tut oder nur eingeschränkt wirksam ist, würde ich zunächst die Elkos 100µF 10V ersetzen (C419, C430) Ebenso sind bipolare (nonpolare) Elkos eher defekt als andere. C414, C434 4,7µF 100V NP bzw. BP. Natürlich ist es immer gut, zu messen. Bei so kurzzeitigen Effekten ist dies aber zugegebenermaßen nicht so einfach. Fazit: - Sichtkontrolle - bei gezogenem Netzstecker Widerstände und Dioden auf der Platine messen (ggf. vergleichend zu nicht defektem Kanal) - die genannten Elkos oder alle Elkos tauschen. Falls der Fehler damit behoben sein sollte, die anderen Kanäle prophylaktisch ebenso erneuern. [Beitrag von CarlM. am 05. Nov 2025, 21:38 bearbeitet] |
||
|
Poetry2me
Inventar |
#3
erstellt: 06. Nov 2025, 20:53
|
|
Kleiner Tipp: Es kann sehr helfen, Hersteller und Modell zu nennen. Sonst kommt (fast) keiner um Dir zu helfen. Du als Themenersteller darfst übrigens auch den Titel des Threads noch nachträglich anpassen. Im Thread-Titel sind Hersteller & Modell fast am wichtigsten. - Johannes |
||
|
Poetry2me
Inventar |
#4
erstellt: 07. Nov 2025, 08:44
|
|
|
Ich denke hier geht es um Sherwood AM-9080 (5-Kanal Power Amplifier) Das Service Manual kann man aus dem Netz holen. Du hattest oben schon den Schaltplan eines einzelnen Endstufenkanals verlinkt. Darauf sieht man aber nicht die vollständige Protection. Im Service Manual ist auch ein Schaltplan der Protection Signalverarbeitung enthalten ![]() ![]() Darauf ist erkennbar, dass jeweils ein 8-poliger Stecker die fünf Endstufenkanäle mit einer Protection Platine verbindet. Es werden pro Kanal drei Outputs erzeugt, welche jeweils einen der Protection-Auslöser detektierbar machen: -- DC detect (unerwünsche Gleichspannung am Ausgang) -- over-current detect / short detect (Überstrom- oder Kurzschluss in der letzten Endverstärker-Stufe) -- Thermal detect (Thermo-Sensor in Form eines Positor am Kühlkörper) Daraus wird auf der Protector Platine ein gemeinsames (unspezifisches) "Protection" Logik-Signal für den Prozessor ("MICOM") erzeugt. Dieser kann sowohl ein übergreifendes ein Muting-Signal, als auch ein übergreifendes Switch-Signal für die Lautsprecher-Relais auf den Platinen aller Endstufenkanäle ausgeben. Der typische Fehler bei solchen Schutzschaltungen: Defekt des DC-detect Elko für die Gleichspannungsfilterung aus allen Kanälen. Hier ist es C901 (470µF 10V) Diesen würde ich tauschen durch einen Elko mit gleicher Kapazität aber mit wesentlich höherer Spannungsfestigkeit. Die Elkos <25V waren anfällig. Falls es dieses Bauteil nicht war, kann man anhand der einzelnen Kanal-Signalisierungen vergleichen, wo etwas aus dem Ruder gelaufen ist. - Johannes |
||
| ||
|
|
||||
Anzeige
Top Produkte in Elektronik (Stereo&Surround)
Aktuelle Aktion
Top 10 Threads in Elektronik (Stereo&Surround) der letzten 7 Tage
- So repariert Ihr Euren CD-Player
- Kontaktflächen Gummimatte zb einer Fernbedienung
- Gelöst: Yamaha RX-V 2700 lässt sich nicht mehr einschalten
- PV Anlage stört auf UKW
- Verstärker rauscht
- Sony-Receiver STR-DB830: "PROTECTOR" im Display
- Yamaha RX-396 RDS schaltet sich sofort wieder aus
- CD-Fach bei Pioneer PD-5500 öffnet sich nicht
- Onkyo TX-NR 414 schaltet nicht mehr ein
- B&W Zeppelin - Netzteil/Sicherung defekt
Top 10 Threads in Elektronik (Stereo&Surround) der letzten 50 Tage
- So repariert Ihr Euren CD-Player
- Kontaktflächen Gummimatte zb einer Fernbedienung
- Gelöst: Yamaha RX-V 2700 lässt sich nicht mehr einschalten
- PV Anlage stört auf UKW
- Verstärker rauscht
- Sony-Receiver STR-DB830: "PROTECTOR" im Display
- Yamaha RX-396 RDS schaltet sich sofort wieder aus
- CD-Fach bei Pioneer PD-5500 öffnet sich nicht
- Onkyo TX-NR 414 schaltet nicht mehr ein
- B&W Zeppelin - Netzteil/Sicherung defekt
Top 10 Suchanfragen
Forumsstatistik
- Registrierte Mitglieder930.853 ( Heute: 8 )
- Neuestes Mitgliedmonathorpe82864
- Gesamtzahl an Themen1.563.982
- Gesamtzahl an Beiträgen21.840.429









