| HIFI-FORUM » Reparatur & Wartung » Hifi-Klassiker » tuner unstabil | |
|
|
||||
tuner unstabil+A -A |
||
| Autor |
| |
|
miessi
Neuling |
#1
erstellt: 23. Dez 2008, 00:23
|
|
|
Guten Tag, besitze einen gebrauchten LUXMAN T-2 Tuner (analog). Der Empfang des Tuners ist unstabil, dh. eingesteller Sender läuft nach ca. 10 Minuten fort. Man muss den Sender erneut einstellen. An was liegt das? Für jede Information wäre ich dankbar Schöne Weihnachten und ein gutes neues Jahr. |
||
|
Smokinfish
Stammgast |
#2
erstellt: 23. Dez 2008, 02:01
|
|
|
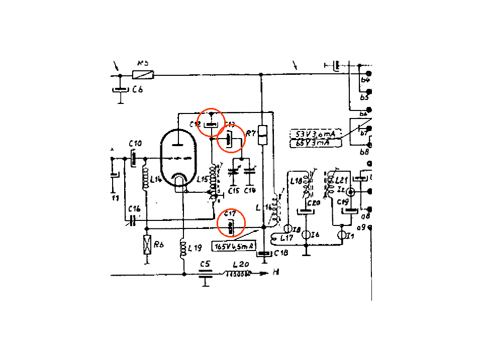
Der Ukw Oszillator oder dessen Betriebsspannung. Das ist zwar ein Röhrenschaltbild aber im Prinzip dasselbe: http://www.radiomuse...hello55%5Foszi%2Egif |
||
|
audiophilanthrop
Inventar |
#3
erstellt: 23. Dez 2008, 04:39
|
|
|
Masseschleifer des Drehkos reinigen, dann sollte er wieder tun. Kein ganz seltenes Problem. |
||
| ||
|
|
||||
| Das könnte Dich auch interessieren: |
|
Luxman Tuner T-351L Empfang gestört not0815 am 16.02.2011 – Letzte Antwort am 23.02.2011 – 12 Beiträge |
|
T-111L Luxman Tuner kein Empfang valalta am 15.07.2011 – Letzte Antwort am 19.07.2011 – 7 Beiträge |
|
Tuner JVC T-X900LB vergisst Sender devroye am 25.04.2009 – Letzte Antwort am 26.01.2015 – 6 Beiträge |
|
Sony Tuner vergißt Sender FastTrain am 05.05.2016 – Letzte Antwort am 16.08.2016 – 23 Beiträge |
|
Onkyo T-9990 vergißt Sender beagle22 am 28.04.2016 – Letzte Antwort am 28.04.2016 – 5 Beiträge |
|
Tuner Onkyo T-4670: Empfang massiv gestört Sunlion am 15.09.2014 – Letzte Antwort am 16.09.2014 – 4 Beiträge |
|
Yamaha Tuner t-700 vergißt Sender 1938phklein am 03.07.2017 – Letzte Antwort am 03.07.2017 – 16 Beiträge |
|
Yamaha T-1020 Tuner, Sender speichern One_Wing_Angel am 01.03.2011 – Letzte Antwort am 06.03.2011 – 7 Beiträge |
|
Pionieer Tuner F-204RDS braucht Aufwärmphase LordoftheTurntable am 30.12.2017 – Letzte Antwort am 31.12.2017 – 7 Beiträge |
|
Yamaha T 85 Tuner jonathan99 am 22.08.2012 – Letzte Antwort am 22.08.2012 – 4 Beiträge |
Foren Archiv
2008
Anzeige
Produkte in diesem Thread
Aktuelle Aktion
Top 10 Threads in Hifi-Klassiker der letzten 7 Tage
- Kondensator ersetzen mit höherem Wert - zulässig?
- WD40 als Kontaktspray?
- Grundig R-2000 Mutingproblem
- Entstörkondensator- Beschriftung und deren Bedeutung
- Dreh - Lautstärkeregler defekt? reagiert falsch oder gar nicht Aiwa NSX AV 320
- Problem bei Reparatur von Pioneer CT 676
- Marantz / Superscope CD-302A Tape Deck
- "Tapedeck-Reparatur" Thread
- Welche Glassicherungen/Feinsicherungen Flink oder Träge ?
- Akai GX-260D-Überholung, Transistorersatztypen?
Top 10 Threads in Hifi-Klassiker der letzten 50 Tage
- Kondensator ersetzen mit höherem Wert - zulässig?
- WD40 als Kontaktspray?
- Grundig R-2000 Mutingproblem
- Entstörkondensator- Beschriftung und deren Bedeutung
- Dreh - Lautstärkeregler defekt? reagiert falsch oder gar nicht Aiwa NSX AV 320
- Problem bei Reparatur von Pioneer CT 676
- Marantz / Superscope CD-302A Tape Deck
- "Tapedeck-Reparatur" Thread
- Welche Glassicherungen/Feinsicherungen Flink oder Träge ?
- Akai GX-260D-Überholung, Transistorersatztypen?
Top 10 Suchanfragen
Forumsstatistik
- Registrierte Mitglieder931.067 ( Heute: 1 )
- Neuestes Mitglieddottykaestner2
- Gesamtzahl an Themen1.564.637
- Gesamtzahl an Beiträgen21.861.263








